|
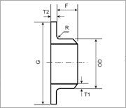
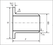
公称通径
Nominal Diameter |
短节外径
Outside Diameter |
接管长度F
Length |
搭接外径
Diameter of Lap Nominal&Maximum |
圆角半径
R |
|
DN |
NPS |
OD |
长型
LP |
短型
SP |
G |
A
Max |
B
Max |
|
15 |
1/2 |
21.3 |
76 |
51 |
35 |
3 |
0.75 |
|
20 |
3/4 |
26.7 |
76 |
51 |
43 |
3 |
0.75 |
|
25 |
1 |
33.4 |
102 |
51 |
51 |
3 |
0.75 |
|
32 |
1.1/4 |
42.4 |
102 |
51 |
64 |
5 |
0.75 |
|
40 |
1.1/2 |
48.3 |
102 |
51 |
73 |
6 |
0.75 |
|
50 |
2 |
60.3 |
152 |
64 |
92 |
8 |
0.75 |
|
65 |
2.1/2 |
73.0 |
152 |
64 |
105 |
8 |
0.75 |
|
80 |
3 |
88.9 |
152 |
64 |
127 |
10 |
0.75 |
|
90 |
3.1/2 |
101.6 |
152 |
76 |
140 |
10 |
0.75 |
|
100 |
4 |
114.3 |
152 |
76 |
157 |
11 |
0.75 |
|
125 |
5 |
141.3 |
203 |
76 |
186 |
11 |
1.5 |
|
150 |
6 |
168.3 |
203 |
89 |
216 |
13 |
1.5 |
|
200 |
8 |
219.1 |
203 |
102 |
270 |
13 |
1.5 |
|
250 |
10 |
273.1 |
254 |
127 |
324 |
13 |
1.5 |
|
300 |
12 |
323.9 |
254 |
152 |
381 |
13 |
1.5 |
|
350 |
14 |
355.6 |
305 |
152 |
413 |
13 |
1.5 |
|
400 |
16 |
406.4 |
305 |
152 |
470 |
13 |
1.5 |
|
450 |
18 |
457.2 |
305 |
152 |
533 |
13 |
1.5 |
|
500 |
20 |
508 |
305 |
152 |
584 |
13 |
1.5 |
|
550 |
22 |
559 |
305 |
152 |
641 |
13 |
1.5 |
|
600 |
24 |
610 |
305 |
152 |
692 |
13 |
1.5 |
|
|