|
|
|
|
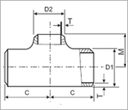
等径三通
Straight Tee
|
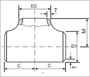
异径三通
Reducing Tee |
碳钢三通
CS Tee |
|
|
|
| Straight Tee Structure |
Reducing Tee Structure |
碳钢四通
CS Cross |
|
公称通径
Nominal Diameter |
坡口处外径
Outside Diameter |
中心至端面
Center to End |
|
D1 |
D2 |
|
DN |
NPS |
A系列
Series A |
B系列
Series B |
A系列
Series A |
B系列
Series B |
C |
M |
|
15×15×15 |
1/2×1/2×1/2 |
21.3 |
18 |
21.3 |
18 |
25 |
25 |
|
15×15×10 |
1/2×1/2×3/8 |
21.3 |
18 |
17.3 |
14 |
25 |
25 |
|
15×15×8 |
1/2×1/2×1/4 |
21.3 |
18 |
13.7 |
10 |
25 |
25 |
|
20×20×20 |
3/4×3/4×3/4 |
26.9 |
25 |
26.9 |
25 |
29 |
29 |
|
20×20×15 |
3/4×3/4×1/2 |
26.9 |
25 |
21.3 |
18 |
29 |
29 |
|
20×20×10 |
3/4×3/4×3/8 |
26.9 |
25 |
17.3 |
14 |
29 |
29 |
|
25×25×25 |
1×1×1 |
33.7 |
32 |
33.7 |
32 |
38 |
38 |
|
25×25×20 |
1×1×3/4 |
33.7 |
32 |
26.9 |
25 |
38 |
38 |
|
25×25×15 |
1×1×1/2 |
33.7 |
32 |
21.3 |
18 |
38 |
38 |
|
32×32×32 |
1.1/4×1.1/4×1.1/4 |
42.4 |
38 |
42.4 |
38 |
48 |
48 |
|
32×32×25 |
1.1/4×1.1/4×1 |
42.4 |
38 |
33.7 |
32 |
48 |
48 |
|
32×32×20 |
1.1/4×1.1/4×3/4 |
42.4 |
38 |
26.9 |
25 |
48 |
48 |
|
32×32×15 |
1.1/4×1.1/4×1/2 |
42.4 |
38 |
21.3 |
18 |
48 |
48 |
|
40×40×40 |
1.1/2×1.1/2×1.1/2 |
48.3 |
45 |
48.3 |
45 |
57 |
57 |
|
40×40×32 |
1.1/2×1.1/2×1.1/4 |
48.3 |
45 |
42.4 |
38 |
57 |
57 |
|
40×40×25 |
1.1/2×1.1/2×1 |
48.3 |
45 |
33.7 |
32 |
57 |
57 |
|
40×40×20 |
1.1/2×1.1/2×3/4 |
48.3 |
45 |
26.9 |
25 |
57 |
57 |
|
40×40×15 |
1.1/2×1.1/2×1/2 |
48.3 |
45 |
21.3 |
18 |
57 |
57 |
|
50×50×50 |
2×2×2 |
60.3 |
57 |
60.3 |
57 |
64 |
64 |
|
50×50×40 |
2×2×1.1/2 |
60.3 |
57 |
48.3 |
45 |
64 |
60 |
|
50×50×32 |
2×2×1.1/4 |
60.3 |
57 |
42.4 |
38 |
64 |
57 |
|
50×50×25 |
2×2×1 |
60.3 |
57 |
33.7 |
32 |
64 |
51 |
|
50×50×20 |
2×2×3/4 |
60.3 |
57 |
26.9 |
25 |
64 |
44 |
|
65×65×65 |
2.1/2×2/1/2×2.1/2 |
73.0 |
76 |
73.0 |
76 |
76 |
76 |
|
65×65×50 |
2.1/2×2/1/2×2 |
73.0 |
76 |
60.3 |
57 |
76 |
70 |
|
65×65×40 |
2.1/2×2/1/2×1.1/2 |
73.0 |
76 |
48.3 |
45 |
76 |
67 |
|
65×65×32 |
2.1/2×2/1/2×1.1/4 |
73.0 |
76 |
42.4 |
38 |
76 |
64 |
|
65×65×25 |
2.1/2×2/1/2×1 |
73.0 |
76 |
33.7 |
32 |
76 |
57 |
|
80×80×80 |
3×3×3 |
88.9 |
89 |
88.9 |
89 |
86 |
86 |
|
80×80×65 |
3×3×2.1/2 |
88.9 |
89 |
73.0 |
76 |
86 |
83 |
|
80×80×50 |
3×3×2 |
88.9 |
89 |
60.3 |
57 |
86 |
76 |
|
80×80×40 |
3×3×1.1/2 |
88.9 |
89 |
48.3 |
45 |
86 |
73 |
|
80×80×32 |
3×3×1.1/4 |
88.9 |
89 |
42.4 |
38 |
86 |
70 |
|
90×90×90 |
3.1/2×3.1/2×3.1/2 |
101.6 |
- |
101.6 |
- |
95 |
95 |
|
90×90×80 |
3.1/2×3.1/2×3 |
101.6 |
- |
88.9 |
89 |
95 |
92 |
|
90×90×65 |
3.1/2×3.1/2×2.1/2 |
101.6 |
- |
73.0 |
76 |
95 |
89 |
|
90×90×50 |
3.1/2×3.1/2×2 |
101.6 |
- |
60.3 |
57 |
95 |
83 |
|
90×90×40 |
3.1/2×3.1/2×1.1/2 |
101.6 |
- |
48.3 |
45 |
95 |
79 |
|
100×100×100 |
4×4×4 |
114.3 |
108 |
114.3 |
108 |
105 |
105 |
|
100×100×90 |
4×4×3.1/2 |
114.3 |
108 |
101.6 |
- |
105 |
102 |
|
100×100×80 |
4×4×3 |
114.3 |
108 |
88.9 |
89 |
105 |
98 |
|
100×100×65 |
4×4×2.1/2 |
114.3 |
108 |
73.0 |
76 |
105 |
95 |
|
100×100×50 |
4×4×2 |
114.3 |
108 |
60.3 |
57 |
105 |
89 |
|
100×100×40 |
4×4×1.1/2 |
114.3 |
108 |
48.3 |
45 |
105 |
86 |
|
125×125×125 |
5×5×5 |
141.3 |
133 |
141.3 |
133 |
124 |
124 |
|
125×125×100 |
5×5×4 |
141.3 |
133 |
114.3 |
108 |
124 |
117 |
|
125×125×90 |
5×5×3.1/2 |
141.3 |
- |
101.6 |
- |
124 |
114 |
|
125×125×80 |
5×5×3 |
141.3 |
133 |
88.9 |
89 |
124 |
111 |
|
125×125×65 |
5×5×2.1.2 |
141.3 |
133 |
73.0 |
76 |
124 |
108 |
|
125×125×50 |
5×5×2 |
141.3 |
133 |
60.3 |
57 |
124 |
105 |
|
150×150×150 |
6×6×6 |
168.3 |
159 |
168.3 |
159 |
143 |
143 |
|
150×150×125 |
6×6×5 |
168.3 |
159 |
141.3 |
133 |
143 |
137 |
|
150×150×100 |
6×6×4 |
168.3 |
159 |
114.3 |
108 |
143 |
130 |
|
150×150×90 |
6×6×3.1/2 |
168.3 |
- |
101.6 |
- |
143 |
127 |
|
150×150×80 |
6×6×3 |
168.3 |
159 |
88.9 |
89 |
143 |
124 |
|
150×150×65 |
6×6×2.1/2 |
168.3 |
159 |
73.0 |
76 |
143 |
121 |
|
200×200×200 |
8×8×8 |
219.1 |
219 |
219.1 |
219 |
178 |
178 |
|
200×200×150 |
8×8×6 |
219.1 |
219 |
168.3 |
159 |
178 |
168 |
|
200×200×125 |
8×8×5 |
219.1 |
219 |
141.4 |
133 |
178 |
162 |
|
200×200×100 |
8×8×4 |
219.1 |
219 |
114.3 |
108 |
178 |
156 |
|
200×200×90 |
8×8×3.1/2 |
219.1 |
- |
101.6 |
- |
178 |
152 |
|
250×250×250 |
10×10×10 |
273.0 |
273 |
273.0 |
273 |
216 |
216 |
|
250×250×200 |
10×10×8 |
273.0 |
273 |
219.1 |
219 |
216 |
203 |
|
250×250×150 |
10×10×6 |
273.0 |
273 |
168.3 |
159 |
216 |
194 |
|
250×250×125 |
10×10×5 |
273.0 |
273 |
141.3 |
133 |
216 |
191 |
|
250×250×100 |
10×10×4 |
273.0 |
273 |
114.3 |
108 |
216 |
184 |
|
300×300×300 |
12×12×12 |
323.9 |
325 |
323.9 |
325 |
254 |
254 |
|
300×300×250 |
12×12×10 |
323.9 |
325 |
273.0 |
273 |
254 |
241 |
|
300×300×200 |
12×12×8 |
323.9 |
325 |
219.1 |
219 |
254 |
229 |
|
300×300×150 |
12×12×6 |
323.9 |
325 |
168.3 |
159 |
254 |
219 |
|
300×300×125 |
12×12×5 |
323.9 |
325 |
141.3 |
133 |
254 |
216 |
|
350×350×350 |
14×14×14 |
355.6 |
377 |
355.6 |
377 |
279 |
279 |
|
350×350×300 |
14×14×12 |
355.6 |
377 |
323.9 |
325 |
279 |
270 |
|
350×350×250 |
14×14×10 |
355.6 |
377 |
273.0 |
273 |
279 |
257 |
|
350×350×200 |
14×14×8 |
355.6 |
377 |
219.1 |
219 |
279 |
248 |
|
350×350×150 |
14×14×6 |
355.6 |
377 |
168.3 |
159 |
279 |
238 |
|
400×400×400 |
16×16×16 |
406.4 |
426 |
406.4 |
426 |
305 |
305 |
|
400×400×350 |
16×16×14 |
406.4 |
426 |
355.6 |
377 |
305 |
305 |
|
400×400×300 |
16×16×12 |
406.4 |
426 |
323.9 |
325 |
305 |
295 |
|
400×400×250 |
16×16×10 |
406.4 |
426 |
273.0 |
273 |
305 |
283 |
|
400×400×200 |
16×16×8 |
406.4 |
426 |
219.1 |
219 |
305 |
273 |
|
400×400×150 |
16×16×6 |
406.4 |
426 |
168.3 |
159 |
305 |
264 |
|
450×450×450 |
18×18×18 |
457 |
480 |
457 |
480 |
343 |
343 |
|
450×450×400 |
18×18×16 |
457 |
480 |
406.4 |
426 |
343 |
330 |
|
450×450×350 |
18×18×14 |
457 |
480 |
355.6 |
377 |
343 |
330 |
|
450×450×300 |
18×18×12 |
457 |
480 |
323.9 |
325 |
343 |
321 |
|
450×450×250 |
18×18×10 |
457 |
480 |
273.0 |
273 |
343 |
308 |
|
450×450×200 |
18×18×8 |
457 |
480 |
219.1 |
219 |
343 |
298 |
|
500×500×500 |
20×20×20 |
508 |
530 |
508 |
530 |
381 |
381 |
|
500×500×450 |
20×20×20 |
508 |
530 |
457 |
480 |
381 |
368 |
|
500×500×400 |
20×20×20 |
508 |
530 |
406.4 |
426 |
381 |
356 |
|
500×500×350 |
20×20×20 |
508 |
530 |
355.6 |
377 |
381 |
356 |
|
500×500×300 |
20×20×20 |
508 |
530 |
323.9 |
325 |
381 |
346 |
|
500×500×250 |
20×20×20 |
508 |
530 |
273.0 |
273 |
381 |
333 |
|
500×500×200 |
20×20×20 |
508 |
530 |
219.1 |
219 |
381 |
324 |
|
550×550×550 |
22×22×22 |
559 |
- |
559 |
- |
419 |
419 |
|
550×550×500 |
22×22×20 |
559 |
- |
508 |
- |
419 |
406 |
|
550×550×450 |
22×22×18 |
559 |
- |
457 |
- |
419 |
394 |
|
550×550×400 |
22×22×16 |
559 |
- |
406.4 |
- |
419 |
381 |
|
550×550×350 |
22×22×14 |
559 |
- |
355.6 |
- |
419 |
381 |
|
550×550×300 |
22×22×12 |
559 |
- |
323.9 |
- |
419 |
371 |
|
550×550×250 |
22×22×10 |
559 |
- |
273.0 |
- |
419 |
359 |
|
600×600×600 |
24×24×24 |
610 |
630 |
610 |
630 |
432 |
432 |
|
600×600×550 |
24×24×22 |
610 |
- |
559 |
- |
432 |
432 |
|
600×600×500 |
24×24×20 |
610 |
630 |
508 |
530 |
432 |
432 |
|
600×600×450 |
24×24×18 |
610 |
630 |
457 |
480 |
432 |
419 |
|
600×600×400 |
24×24×16 |
610 |
630 |
406.4 |
426 |
432 |
406 |
|
600×600×350 |
24×24×14 |
610 |
630 |
355.6 |
377 |
432 |
406 |
|
600×600×300 |
24×24×12 |
610 |
630 |
323.9 |
325 |
432 |
397 |
|
600×600×250 |
24×24×10 |
610 |
630 |
273.0 |
273 |
432 |
384 |
|
650×650×650 |
26×26×26 |
660 |
- |
660 |
- |
495 |
495 |
|
650×650×600 |
26×26×24 |
660 |
- |
610 |
- |
495 |
483 |
|
650×650×550 |
26×26×22 |
660 |
- |
559 |
- |
495 |
470 |
|
650×650×500 |
26×26×20 |
660 |
- |
508 |
- |
495 |
457 |
|
650×650×450 |
26×26×18 |
660 |
- |
457 |
- |
495 |
444 |
|
650×650×400 |
26×26×16 |
660 |
- |
406.4 |
- |
495 |
432 |
|
650×650×350 |
26×26×14 |
660 |
- |
355.6 |
- |
495 |
432 |
|
650×650×300 |
26×26×12 |
660 |
- |
323.9 |
- |
495 |
422 |
|
700×700×700 |
28×28×28 |
711 |
720 |
711 |
720 |
521 |
521 |
|
700×700×650 |
28×28×26 |
711 |
- |
660 |
- |
521 |
521 |
|
700×700×600 |
28×28×24 |
711 |
720 |
610 |
630 |
521 |
508 |
|
700×700×550 |
28×28×22 |
711 |
- |
559 |
- |
521 |
495 |
|
700×700×500 |
28×28×20 |
711 |
720 |
508 |
529 |
521 |
483 |
|
700×700×450 |
28×28×18 |
711 |
720 |
457 |
478 |
521 |
470 |
|
700×700×400 |
28×28×16 |
711 |
720 |
406.4 |
426 |
521 |
457 |
|
700×700×350 |
28×28×14 |
711 |
720 |
355.6 |
377 |
521 |
457 |
|
700×700×300 |
28×28×12 |
711 |
720 |
323.9 |
325 |
521 |
448 |
|
750×750×750 |
30×30×30 |
762 |
- |
762 |
- |
559 |
559 |
|
750×750×700 |
30×30×28 |
762 |
- |
711 |
- |
559 |
546 |
|
750×750×650 |
30×30×26 |
762 |
- |
660 |
- |
559 |
546 |
|
750×750×600 |
30×30×24 |
762 |
- |
610 |
- |
559 |
533 |
|
750×750×550 |
30×30×22 |
762 |
- |
559 |
- |
559 |
521 |
|
750×750×500 |
30×30×20 |
762 |
- |
508 |
- |
559 |
508 |
|
750×750×450 |
30×30×18 |
762 |
- |
457 |
- |
559 |
495 |
|
750×750×400 |
30×30×16 |
762 |
- |
406.4 |
- |
559 |
483 |
|
750×750×350 |
30×30×14 |
762 |
- |
355.6 |
- |
559 |
483 |
|
750×750×300 |
30×30×12 |
762 |
- |
323.9 |
- |
559 |
473 |
|
750×750×250 |
30×30×10 |
762 |
- |
273.0 |
- |
559 |
460 |
|
800×800×800 |
32×32×32 |
813 |
820 |
813 |
820 |
597 |
597 |
|
800×800×750 |
32×32×30 |
813 |
- |
762 |
- |
597 |
584 |
|
800×800×700 |
32×32×28 |
813 |
820 |
711 |
720 |
597 |
572 |
|
800×800×650 |
32×32×26 |
813 |
- |
660 |
- |
597 |
572 |
|
800×800×600 |
32×32×24 |
813 |
820 |
610 |
630 |
597 |
559 |
|
800×800×550 |
32×32×22 |
813 |
- |
559 |
- |
597 |
546 |
|
800×800×500 |
32×32×20 |
813 |
820 |
508 |
529 |
597 |
533 |
|
800×800×450 |
32×32×18 |
813 |
820 |
457 |
478 |
597 |
521 |
|
800×800×400 |
32×32×16 |
813 |
820 |
406.4 |
426 |
597 |
508 |
|
800×800×350 |
32×32×14 |
813 |
820 |
355.6 |
377 |
597 |
508 |
|
850×850×850 |
34×34×34 |
864 |
- |
864 |
- |
635 |
635 |
|
850×850×800 |
34×34×32 |
864 |
- |
813 |
- |
635 |
622 |
|
850×850×750 |
34×34×30 |
864 |
- |
762 |
- |
635 |
610 |
|
850×850×700 |
34×34×28 |
864 |
- |
711 |
- |
635 |
597 |
|
850×850×650 |
34×34×26 |
864 |
- |
660 |
- |
635 |
597 |
|
850×850×600 |
34×34×24 |
864 |
- |
610 |
- |
635 |
584 |
|
850×850×550 |
34×34×22 |
864 |
- |
559 |
- |
635 |
572 |
|
850×850×500 |
34×34×20 |
864 |
- |
508 |
- |
635 |
559 |
|
850×850×450 |
34×34×18 |
864 |
- |
457 |
- |
635 |
546 |
|
850×850×400 |
34×34×16 |
864 |
- |
406.4 |
- |
635 |
533 |
|
900×900×900 |
36×36×36 |
914 |
920 |
914 |
920 |
673 |
673 |
|
900×900×850 |
36×36×34 |
914 |
- |
864 |
- |
673 |
660 |
|
900×900×800 |
36×36×32 |
914 |
920 |
813 |
820 |
673 |
648 |
|
900×900×750 |
36×36×30 |
914 |
- |
762 |
- |
673 |
635 |
|
900×900×700 |
36×36×28 |
914 |
920 |
711 |
720 |
673 |
622 |
|
900×900×650 |
36×36×26 |
914 |
- |
660 |
- |
673 |
622 |
|
900×900×600 |
36×36×24 |
914 |
- |
610 |
- |
673 |
610 |
|
900×900×550 |
36×36×22 |
914 |
- |
559 |
- |
673 |
597 |
|
900×900×500 |
36×36×20 |
914 |
920 |
508 |
529 |
673 |
584 |
|
900×900×450 |
36×36×18 |
914 |
920 |
457 |
478 |
673 |
572 |
|
900×900×400 |
36×36×16 |
914 |
920 |
406.4 |
426 |
673 |
559 |
|
|
|