|
|
|
|
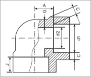
承插弯头
Socket Elbow
|
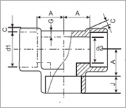
承插三通
Socket Tee |
承插四通
Socket Cross |
|
|
|
| |
|
|
|
公称通径
Nominal Diameter |
承插孔深度
Depth of Socket |
承插孔直径
Dimension of Socket |
壁厚
Wall Thickness |
中心至承插孔底
Center to Bottom of Socket |
|
A |
|
Cmin |
90°弯头、三通、四通
90°Elbow、Tee、Cross |
45°弯头
45°Elbow |
| DN |
NPS |
Jmin |
d1 |
3000LB
Sch80 |
6000LB
Sch160 |
9000LB
XXS |
3000LB
Sch80 |
6000LB
Sch160 |
9000LB
XXS |
3000LB
Sch80 |
6000LB
Sch160 |
9000LB
XXS |
|
6 |
1/8 |
10 |
10.7 |
3.2 |
3.5 |
- |
11 |
11 |
- |
8 |
8 |
- |
|
8 |
1/4 |
10 |
14.1 |
3.3 |
4.0 |
- |
11 |
15 |
- |
8 |
8 |
- |
|
10 |
3/8 |
10 |
17.5 |
3.5 |
4.4 |
- |
13 |
15 |
- |
8 |
12 |
- |
|
15 |
1/2 |
10 |
21.8 |
4.1 |
5.2 |
8.2 |
16 |
19 |
25 |
11 |
13 |
16 |
|
20 |
3/4 |
13 |
27.4 |
4.3 |
6.1 |
8.6 |
19 |
22 |
28 |
13 |
14 |
18 |
|
25 |
1 |
13 |
34.2 |
5.0 |
7.0 |
10.0 |
22 |
27 |
32 |
14 |
18 |
22 |
|
32 |
1.1/4 |
13 |
42.9 |
5.3 |
7.0 |
10.6 |
27 |
32 |
35 |
18 |
21 |
22 |
|
40 |
1.1/2 |
13 |
48.3 |
5.6 |
7.8 |
11.2 |
32 |
38 |
38 |
21 |
25 |
25 |
|
50 |
2 |
13 |
61.1 |
6.1 |
9.5 |
12.2 |
38 |
41 |
41 |
25 |
29 |
29 |
|
65 |
2.1/2 |
16 |
76.9(73.8) |
7.7 |
12.5 |
- |
41 |
57 |
- |
29 |
32 |
- |
|
80 |
3 |
16 |
89.8 |
8.3 |
13.8 |
- |
57 |
64 |
- |
32 |
35 |
- |
|
100 |
4 |
19 |
115.5 |
9.4 |
- |
- |
66 |
- |
- |
42 |
- |
- |
|
|
备注:
1、承插壁厚外围平均值不低于所列值,最小值仅限于局部区域。
2、每种规格的上下值分别代表最大、最小尺寸。
Note:
1、Average of socket wall thickness around periphery
shall be no less than listed values. The minimum values
are permitted in localized areas.
2、Upper and lower values for each size are the respective
maximum and minimum dimensions. |