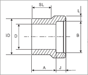
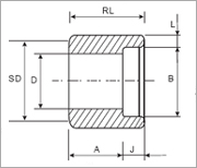
公称通径
Nominal
Diameter |
类型
Type |
SD |
A |
Cmin |
SL |
RL |
插口直径
Diameter of faucet |
插口深度
The deepness of faucet |
孔径
Diameter of Hole
(D) |
| DN |
NPS |
3000
LB
Sch80 |
6000
LB
Sch160 |
3000
LB
Sch80 |
6000
LB
Sch160 |
3000
LB
Sch80 |
6000
LB
Sch160 |
3000
LB
Sch80 |
6000
LB
Sch160 |
3000
LB
Sch80 |
6000
LB
Sch160 |
B |
J |
3000
LB
Sch80 |
6000
LB
Sch160 |
| 10×8 |
3/8×1/4 |
1 |
1 |
17.1 |
19 |
21 |
3.8 |
4.6 |
14 |
16 |
- |
- |
14.2 |
10 |
9.0 |
6.5 |
| 15×10 |
1/2×3/8 |
1 |
1 |
21.3 |
21 |
23 |
4.0 |
5.0 |
16 |
16 |
- |
- |
17.7 |
10 |
12.5 |
9.0 |
| 15×8 |
1/2×1/4 |
2 |
1 |
21.3 |
21 |
21 |
3.8 |
4.6 |
16 |
16 |
- |
- |
14.2 |
10 |
9.0 |
6.0 |
| 20×15 |
3/4×1/2 |
1 |
1 |
26.7 |
22 |
25 |
4.7 |
6.0 |
17 |
19 |
- |
- |
21.8 |
10 |
16.0 |
11.5 |
| 20×10 |
3/4×3/8 |
2 |
1 |
26.7 |
16 |
22 |
4.0 |
5.0 |
- |
19 |
21 |
- |
17.7 |
10 |
12.5 |
9.0 |
| 20×8 |
3/4×1/4 |
2 |
2 |
26.7 |
18 |
22 |
3.8 |
4.6 |
- |
- |
21 |
32 |
14.2 |
10 |
9.0 |
6.5 |
| 25×20 |
1×3/4 |
1 |
1 |
33.4 |
24 |
28 |
4.9 |
7.0 |
19 |
21 |
- |
- |
27.2 |
13 |
21.0 |
15.5 |
| 25×15 |
1×1/2 |
2 |
2 |
33.4 |
16 |
28 |
4.7 |
6.0 |
- |
21 |
28 |
- |
21.8 |
10 |
16.0 |
11.5 |
| 25×10 |
1×3/8 |
2 |
2 |
33.4 |
18 |
22 |
4.0 |
5.0 |
- |
- |
28 |
33 |
17.7 |
10 |
12.5 |
9.0 |
| 25×8 |
1×1/4 |
2 |
2 |
33.4 |
19 |
24 |
3.8 |
4.6 |
- |
- |
28 |
33 |
14.2 |
10 |
9.0 |
6.0 |
| 32×25 |
1.1/4×1 |
1 |
1 |
42.4 |
25 |
30 |
5.7 |
7.9 |
21 |
22 |
- |
- |
33.9 |
13 |
26.5 |
20.5 |
| 32×20 |
1.1/4×3/4 |
2 |
2 |
42.4 |
18 |
21 |
4.9 |
7.0 |
- |
- |
32 |
35 |
27.2 |
13 |
21.0 |
15.5 |
| 32×15 |
1.1/4×1/2 |
2 |
2 |
42.4 |
19 |
22 |
4.7 |
6.0 |
- |
- |
32 |
35 |
21.8 |
10 |
16.0 |
11.5 |
| 32×10 |
1.1/4×3/8 |
2 |
2 |
42.4 |
21 |
24 |
4.0 |
5.0 |
- |
- |
32 |
35 |
17.7 |
10 |
12.5 |
9.0 |
| 32×8 |
1.1/4×1/4 |
2 |
2 |
42.4 |
22 |
25 |
3.8 |
4.6 |
- |
- |
32 |
35 |
14.2 |
10 |
9.0 |
6.0 |
| 40×32 |
1.1/2×1.1/4 |
1 |
1 |
48.3 |
28 |
35 |
6.1 |
7.9 |
22 |
25 |
- |
- |
42.7 |
13 |
35.0 |
29.5 |
| 40×25 |
1.1/2×1 |
2 |
1 |
48.3 |
18 |
29 |
5.7 |
7.9 |
- |
25 |
33 |
- |
33.9 |
13 |
26.5 |
20.5 |
| 40×20 |
1.1/2×3/4 |
2 |
2 |
48.3 |
19 |
25 |
4.9 |
7.0 |
- |
- |
33 |
40 |
27.2 |
13 |
21.0 |
15.5 |
| 40×15 |
1.1/2×1/2 |
2 |
2 |
48.3 |
21 |
27 |
4.7 |
6.0 |
- |
- |
33 |
40 |
21.8 |
10 |
16.0 |
11.5 |
| 40×10 |
1.1/2×3/8 |
2 |
2 |
48.3 |
22 |
28 |
4.0 |
5.0 |
- |
- |
33 |
40 |
17.7 |
10 |
12.5 |
9.0 |
| 50×40 |
2×1.1/2 |
1 |
1 |
60.3 |
32 |
47 |
6.4 |
8.9 |
25 |
40 |
- |
- |
48.8 |
13 |
41.0 |
34.0 |
| 50×32 |
2×1.1/4 |
2 |
2 |
60.3 |
21 |
24 |
6.1 |
7.9 |
- |
- |
38 |
41 |
42.7 |
13 |
35.0 |
29.5 |
| 50×25 |
2×1 |
2 |
2 |
60.3 |
22 |
25 |
5.7 |
7.9 |
- |
- |
38 |
41 |
33.9 |
13 |
26.5 |
21.0 |
| 50×20 |
2×3/4 |
2 |
2 |
60.3 |
24 |
27 |
4.9 |
7.0 |
- |
- |
38 |
41 |
27.2 |
13 |
21.0 |
15.5 |
| 50×15 |
2×1/2 |
2 |
2 |
60.3 |
25 |
28 |
4.7 |
6.0 |
- |
- |
38 |
41 |
21.8 |
10 |
16.0 |
11.5 |
|
|